| 일 | 월 | 화 | 수 | 목 | 금 | 토 |
|---|---|---|---|---|---|---|
| 1 | 2 | 3 | ||||
| 4 | 5 | 6 | 7 | 8 | 9 | 10 |
| 11 | 12 | 13 | 14 | 15 | 16 | 17 |
| 18 | 19 | 20 | 21 | 22 | 23 | 24 |
| 25 | 26 | 27 | 28 | 29 | 30 | 31 |
Tags
- Trie
- binary search
- union find
- 그래프
- String
- 스토어드 프로시저
- 이진탐색
- Two Points
- two pointer
- DP
- MYSQL
- SQL
- Stored Procedure
- Hash
- Dijkstra
- 다익스트라
- Brute Force
Archives
- Today
- Total
codingfarm
1. 연속시간 및 이산시간 시스템 본문
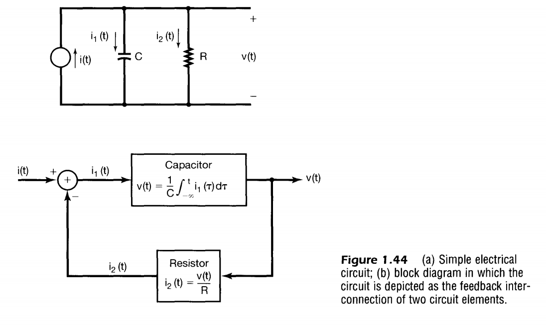
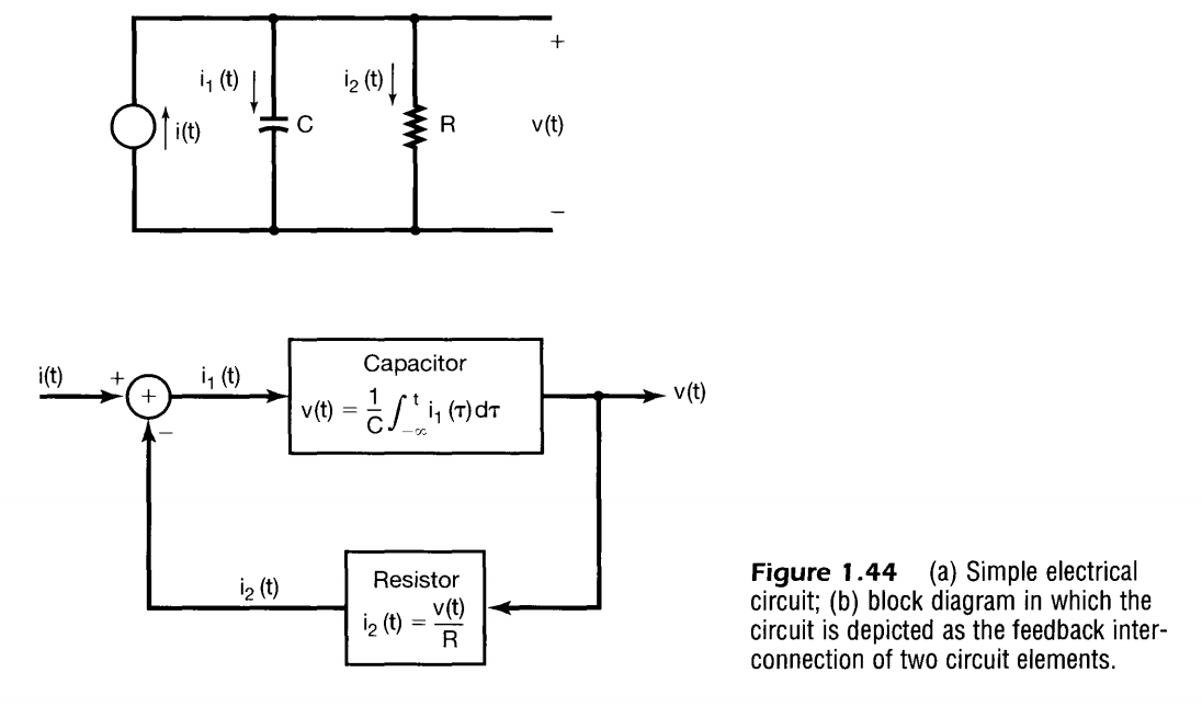
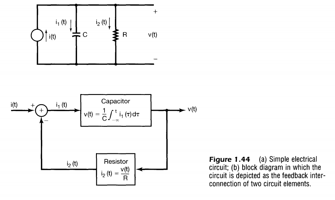
시스템이란 들어온 입력신호를 가공하여 새로운 출력으로 내는것이다.
연속 시간 시스템(continuous time system)
$x(t) \rightarrow y(t)$
이산 시간 시스템(discrete time system)
$x[n] \rightarrow y[n]$

시스템의 상호 연결


시스템의 예

'신호 및 시스템' 카테고리의 다른 글
| 2. 선형 시불변 시스템(LTI system) - 이산시간 LTI 시스템: 컨볼루션 합(Convolution Sum) (0) | 2020.04.18 |
|---|---|
| 2. 선형 시불변 시스템(LTI system) - 서론 (0) | 2020.04.18 |
| 1장. 연습문제 (0) | 2020.04.17 |
| 1.단위 임펄스 및 단위 계단함수 (0) | 2020.03.26 |
| 1.신호와 시스템 (1) | 2020.03.25 |
Comments